HAMMER哈玛脚轮400S-NRB200合肥栗山胡181-0560-8873
HAMMER哈玛脚轮400S-NRB200合肥栗山胡181-0560-8873
HAMMER哈玛脚轮400S-NRB200合肥栗山胡181-0560-8873
轮盘尼龙(B件)汽车
安装类型平面旋转
止动器没有止子
材料与表面处理钢(
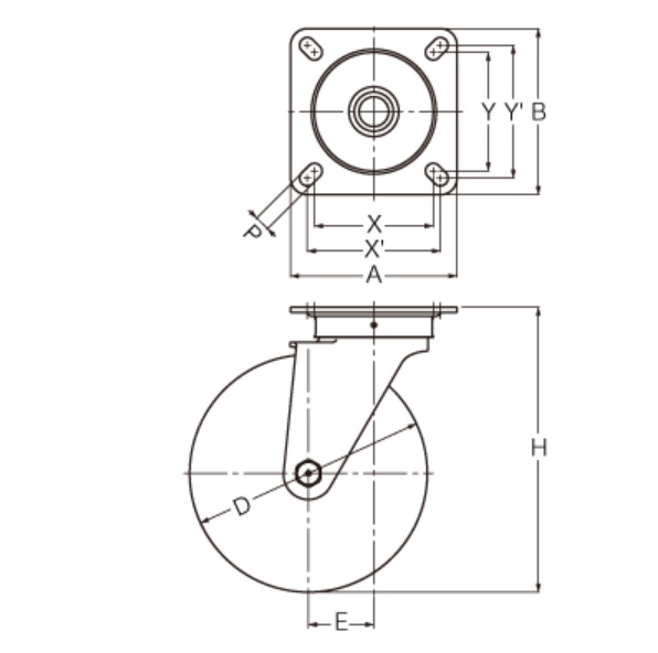
轮径(D200毫米
允许载荷(1)220 dN
安装高度(H)240毫米
安装支架(A×B×C)140×140毫米
安装尺寸(X×Y×Z)100×100(112×112) 毫米
安装孔直径(P)13毫米
偏心率(E)55毫米
转弯半径157毫米
车轮品种∭429S-NRB
宽度44毫米


OSAKATAIYU大阪PTM-100回转盘156*55134803