日本武藤MUTOH线性编码器DX-025合肥栗山胡181-0560-8873
日本武藤MUTOH线性编码器DX-025合肥栗山胡181-0560-8873
日本武藤MUTOH线性编码器DX-025合肥栗山胡181-0560-8873
它可以安装在机床和其他工具上,以数字方式标示运动物体的移动量。 安装位置灵活且易于测量。
超紧凑且超轻量化,可集成到小型设备中
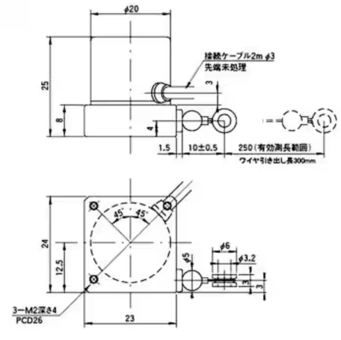
有效长度(毫米)(电线)250 质量 (g)60 工作温度范围(°C)0~50(无凝结) 电源(V)DC4.5~13 保护
结构IP40(仅限电气部分) 线径(Φmm)0.45 精度距离(20°C时)/ ±0.2/250mm + 量化误差,恢复
(20°C时)/ ±0.05毫米+量化误差 输出形式开放集电器 分辨率(毫米)0.01(4倍倍数) 功耗(mA)40或更少
(无负载) 脉冲输出25脉冲/毫米 连接电缆2m,Φ3(未处理尖端) 材料(线材部分)SUS304 储存温度范围
(°C)-20~80 最大速度(m/min)(探测)15 抗冲击能力(m/s 2))耐久性 / 490(约50克),X、Y、Z方向
各3次 抗震55Hz,振幅1.5毫米,X、Y、Z方向各2H 耐久性(往返次数)100万及以上 输出相位A阶段和B阶段
标准张力(N)Wire/0.29~0.58(30~60gf) 输出电平残余电压小于0.5伏,吸收电流小于20毫安,承受电压
小于30伏 传输距离(米)15岁以下组 最大加速度(m/s2))7.8(0.8G)


SURUGA SEIKI骏河精机自动X轴滑台KS102-100LG-3合肥栗山胡181-0560-8873