CHUO SEIKI中央精机滑台TS-612合肥栗山胡181-0560-8873
CHUO SEIKI中央精机滑台TS-612合肥栗山胡181-0560-8873
CHUO SEIKI中央精机滑台TS-612合肥栗山胡181-0560-8873
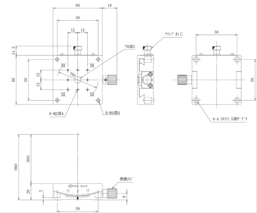
它是一个单轴倾斜级。
可以将具有不同旋转中心高度的单轴倾斜级组合,形成具有相同旋转中心的双轴倾斜级。
移动导向采用蚂蚁槽(D-T方法)。
它广泛应用于定位应用,如相机和传感器。
行动方向:倾斜1方向
舞台平面:60毫米×60毫米
夹紧方法:板夹
移动机构/送料方法:蠕虫齿轮类型
移动音量 ±15°
移动 / 1个旋钮:约1°19′25”
目力巴尼耶读数:5英尺
旋转中心(从舞台顶部开始):60毫米
旋转中心精度:φ0.1
载重能力:49N(5公斤)
质量:0.2公斤
主要材料/表面处理:铝合金/黑色阳极处理梨形底座
标准配件 带六角孔的检验证书
螺栓(主体工艺)M4 4


TAIYO太阳气动马达TAM4-015LG005合肥栗山胡181-0560-8873