CF12-1-AB轴承日本THK合肥栗山胡181-0560-8873
CF12-1-AB轴承日本THK合肥栗山胡181-0560-8873
CF12-1-AB轴承日本THK合肥栗山胡181-0560-8873
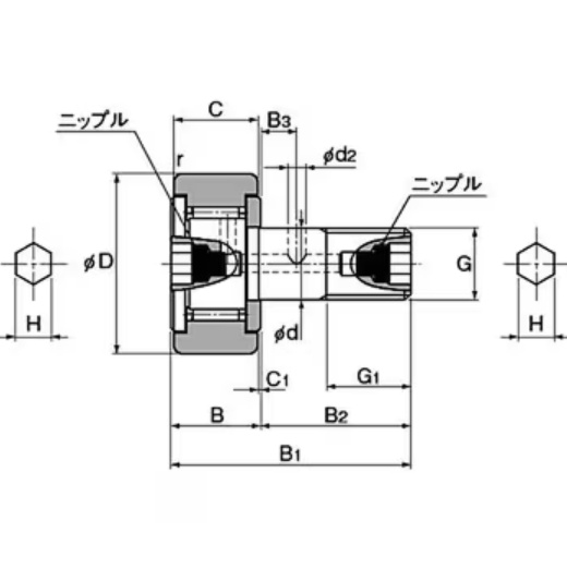
従来品は治具を製作して埋め栓やグリースニップルを装着する必要がありましたが、グリース
ニップル付きカムフォロアCF-AB形はグリースニップルが両側に取り付いているため、箱か
ら出してすぐに使用できます。 また六角レンチを利用して、スタッドの頭部側、ねじ部側のどち
ら側からでも固定することができ、両方向から給脂も可能です。取付けスペースを気にせずに
取付け及びメンテナンスが可能のため、作業効率が向上します。
寸法B(mm)15 寸法B1(mm)40 寸法B2(mm)25 寸法B3(mm)6 寸法C(mm)14 寸法C1(mm)0.6 寸法
D(Φmm)32 寸法G1(mm)13 寸法H(mm)6 寸法d(Φmm)12 寸法d2(Φmm)3 寸法f(Φmm)20 寸法r(mm)0.6 タ
イプシール無 外径(Φmm)32 幅(mm)14 材質炭素鋼 質量(g)115 限界回
転数(min-1[r.p.m])14000 寸法GM12×1.5 最大許容荷重(kN)9.37 RoHS指令(10物質対応)対応 基
本定格荷重C(kN)7.87 基本定格荷重Co(kN)9.79 トラック負荷容量(kN)7.45


MISUMI米思米FJCZ22活动接头15655134803