AC20-133-3A00000普通型压力计NAGANO长野计器合肥栗山胡181-0560-8873
AC20-133-3A00000普通型压力计NAGANO长野计器合肥栗山胡181-0560-8873
AC20-133-3A00000普通型压力计NAGANO长野计器合肥栗山胡181-0560-8873
型番7桁(モデルNo.)が、目盛板マークの下に入ります。
基準適合証印(型式承認)対応が可能です。(大きさ・精度・圧力レンジによる)
圧力計測範囲が広く、また耐食性を要求される場合にも対応できます。
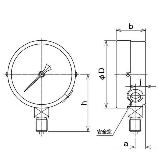
ケース形状A枠(立型つば無し) 外径(Φmm)75 精度JIS1.6級 圧力レンジ(MPa)0~10 接続
ねじG3/8B 用途JIS B 7505-1 ブルドン管圧力計に対応しています。ブルドン管の弾性
変形(動き)を指針に伝える構造の圧力計で、構造が簡単なためお取扱いが容易です。また広い
圧力範囲の測定が行え、幅広い分野で使用されています。・検査成績書付きはJCSS校正さ


NAGANO长野计器压力计/真空计GV55-623-5000000XXXX0合肥栗山胡181-0560-8873